суббота, 21 августа 2021 г.

panasonic aw-rp150 / aw-rp120 and atem video switcher interface. Arduino Panasonic RP and ATEM

 Hi, dear guests!

I made such interface for my tv studio. All is very simple! 



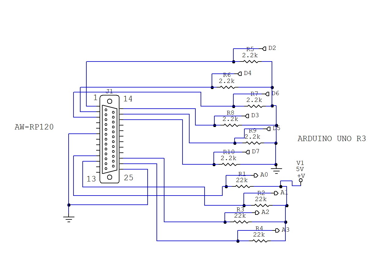
So it is Arduino based device (UNO R3) with Ethernet shield which works with Blackmagic ATEM switchers and Panasonic AW-RP120 / AW-RP150 Remote panels. 



It does a couple things. It gets tally cameras state from ATEM switcher and send it to AW-RP pannel to turn light on the active camera. And it reads state of selected camera (1-10 for rp120/150) on remote panel and send it to ATEM switcher. Atem sets selected camera 1-8 + PV and PGM (9 and 10 button) to AUX 2 in my case, to image analysis system.   

If you want to made your own interface you will need next stuff:

  • Arduino UNO R3 (with male pins kit) x 1 
  • Ethernet shield x 1
  • Resistors upto 0.25W : 22k x 4 pcs. and 2.2k x 6 pcs. (to get 6 tally sources (1-6 camera))
  • DB-25F x1 connector with  couple screws (for the box)
  • DB-25M with case x2
  • A broken HDMI cable (to make an interface cable and get some wires for the box) or some wires.
  • Plastic  DIY Box x1 



I used the Skaarhoj script and adapted it to my purpose. Download it here. You may need an additional libraries.

Schematic for soldering is here.

I want to warn you. You should be shure  that all pins between arduino and shield are connected. use an Ohmmeter or multimeter to check it. 

Before upload script to the Arduino you should change the network settings in setup of script:

  • Ip address of Adruino and its MAC
  •  net mask, 
  • gateway, 
  • ATEM switcher ip address.

At the bottom of script you will find part of code which decode info from RP console and send it to ATEM. you can adjust it by your own way.

Please check that your RP console is resdy to receive tally GPI signals.

That is all.

Of course my script isn't perfect but it works. You can check debug info in arduino com port monitoring.

After first start several leds on the RP pannel will be red, and when you set some source on ATEM to the program output, only one red led shoud light on RP console. It means that tally script is working.

It works perfectly 24/7




среда, 23 июня 2021 г.

Wifi TALLY shoe mount lamp DIY for ATEM






Lamp is based on wi-fi D1 mini module and videolight ulanzi vl49

It was easier than i thaught! It is cheapest and completed solution.

Only three things you will need to make the tally light!
and multimeter, some wires and some soldering stuff.

The whole main code written BY Aron het Lam,  you can get from his Github: https://github.com/AronHetLam/ATEM_tally_light_with_ESP8266/wiki/DIY-guide 
There are all instruction how to flash D1 module. But in this videolight you have to change out pins in his code next way:

First upload the code to D1.
Next the soldering.
You  should remove the magnet from videolight, unsolder power ground wire from pcb in videolight to make all circuits safe for soldering. 

Solder resistors to D1 as showed on picture. 

Put D1 mini to main videolight pcb, make their sides and corner to fit to each other.

Precisely solder resistors and power wires to exact points on videolight pcb. 
Solder back the ground power wire.

At this point the light is ready yo run. All that you neen is to turn the videolight brightness to the zero, and it became fully functional tally light. 
Set it up as described Aron and mount it on a camera shoe holder. 
Voila!!

среда, 21 апреля 2021 г.

Интеграция Agile в сменный график ниженеров.

Изначально, идеи как внедрить Agile в отдел видеоинженеров не было. Всё что было, это горы не сделанной работы и группа инженеров работающих с графиком 1/3 и одним инженером в смену 2/2, всего 5 инженеров. 

Основная проблема - рутинные и внеочередные работы возникающие в процессе работы (в рабочую смену) выполняются только в пределах одной рабочей смены. Т.е. задачи с длительным сроком решения (более одного двух дней) не выполняются вообще. 

Первый способ удержать запросы / задачи в отделе, не упустить что то из виду - вести отчёт пересменки. Получилась длиннющая портянка из множества записей, не позволяющих держать их все в актуальном состоянии, всегда помнить о проблеме двухмесячной давности, например. Началось хоть какое-то журналирование событий и проблем, и в случае крайней необходимости, можно было найти через поиск в таблице. 

Наличие системы Jira в компании никак не решает образующихся задач для отдела видеоинженеров. Основной объём задач возникает спонтанно, так же быстро и устраняются, но не всегда в одну смену. Инженеры не могут ставить сами себе задачи, вести их и закрывать в Jira. Это не функционально в текущих условиях. 

Задачи отдела можно поделить на быстрые и долгие. Быстрые - выполнимые в пределах одной смены, долгие - не выполнимые за одну смену. Долгие задачи не выполняются из-за разных функциональных характеристик инженеров и их разной (спонтанной) загруженности. Такие задачи обычно провальны, передаются из смены в смену с потерей данных о задаче и проделанной работе, этапе, с которого нужно продолжить работу. Проблема была не в сроках выполнения длительных задач, а в выполнении задач в принципе.

Я очень долго не мог решить вопрос, как делегировать одну большую задачу группе инженеров, которые даже не пересекаются друг с другом из-за сменного графика. При попытке делегировать такие задачи невольно вспоминается сценка А. Райкина про пиджак: -"К пуговицам претензий нет". По факту - глухой телефон.

Решение пришло совсем не сразу, а спустя пару месяцев после прохождения курса Agile. Определяющим фактором послужили личные навыки самих инженеров и тип смены (сутки или день). Например, поручив задачу разобраться с программным обеспечением инженеру с большим навыком в софте - больше шансов на успех. Так и инженеру выполняющему роль архивариуса лучше поручить задачи связанные с документами и написанием инструкций по работе.  Таким, образом в одной группе стало возможно выполнение задач делимых на категории: 

  • механика / мелкий ремонт, 
  • склад / обслуживание оборудования, 
  • документы, 
  • программный комплекс, 
  • проектная деятельность - коммуникации.

Основная идея - повышение качества работы и её фактическое выполнение. Здесь на лицо все признаки команды до 8 человек. В общем, все делают одну и ту же работу, и кто-то делает персональные задачи лучше. Что-то отдалённо напоминающее Canban и ещё отдалённее Scrum. Узкопрофильные задачи, требующие времени выполнения больше чем одну или 2 смены, было решено поручать только одному инженеру - специалисту 1 раз в 4 дня. Но с максимальным качеством работы. 

В Trello мы собрали доску планирования работ под наши нужды, наполнили и структурировали в ней все данные что у нас были под рукой. Все инженеры смогли увидеть объём реальных работ, и задачи которыми занимаются коллеги. Получилось подобие Scrum, столбцы с названиями:

Буфер задач | в процессе | регулярные задачи | Подсказки/архив | Готово | Долгий ящик



В буфере задач все инженеры создают быстрые задачи не назначая участников, и если выполняют их переносят в процесс и назначают себя участниками. Любой инженер может взять задачу из буфера и начать ей заниматься переместив в столбец "процесс".

В процессе соответственно задачи над которыми сейчас ведётся работа. Столбец ограничен по количеству задач, со строго присвоенными инженерами/исполнителями. Одну задачу могут выполнять сразу несколько человек, обязательно указывая проведённые работы по задаче, заполняя чек листы и оставляя комментарии внутри карточки с задачей.

Регулярные задачи - задачи выполняемые циклично, такие как проведение закупок в определённый срок, ведение отчётов, проверка/отстройка оборудования и т.п.

Подсказки/архив содержит карточки с ссылками на нормативные документы, карточки с эскизами и зарисовками схем.

Готово - тут все готовые задачи выполнение которых привело к окончательному решению проблемы.

В долгий ящик складываются только те задачи, работа над которыми была выполнена, но решение задач не актуально, может потребоваться через длительный период времени, чтобы не переделывать и не вспоминать всё заново.

Рабочая доска находится в процессе формирования, и ещё не решено окончательно какие столбики мы добавим / уберём, или отправим на новую доску.

В итоге, после введения в работу доски Trello, эффективность отдела инженеров выросла ориентировочно на 75%. Застоявшаяся работа начала делаться, пусть и не каждый день подряд, но выполняется до конца, т.к. делается в основном одним ответственным человеком, и по необходимости для ускорения решения, присоединившимися в помощь коллегами.

Таким образом, если одна задача обновления спец ПО сервера выполняется 4мя инженерами подряд, то качество работы над задачей будет максимальным только у одного специалиста. Предположим, что процент выполнения в графике 1/3 будет таким: 25%, 10%, 10%, 5%, 25%, 10% 10% 5%. Имеется ввиду, что один инженер обладает лучшим навыком решения задачи чем остальные. Итого, задача будет выполнена за 8 дней с относительно приемлемым качеством в лучшем случае. (как показывает практика, на деле задача гибнет на 3-й день. (25%, 10%, 0% 0%, 15%, 0%...))

Если поручить такую задачу только одному человеку, то срок выполнения естественно увеличится до 16 дней (4 смены), т.е в 2 раза, задача будет выполнена максимально качественно. Однако, в этом случае остальные инженеры могут параллельно вести работу над другими задачами, в этом случае при равновесных задачах, процент выполнения задач будет 25% в каждую смену. т.е. 25%, 25%, 25%,25%. В таком случае за 16 дней будет выполнено 4 узких задачи, т.к. каждый инженер максимально качественно выполняет свою  персональную задачу. а это говорит об эффективности в 50% в сравнении с 2мя задачами за 16 дней в случае последовательного делегирования.

Ведение такой таблицы дало положительный толчок к работе всех сотрудников, т.к. появилась коллективная ответственность, обзор дел которыми занимаются коллеги, не быть хуже чем другие работники, стараться создавать и решать задачи самостоятельно чтобы получить бонус сотрудника года. Заполнять комментарий к задаче, т.к. следующий коллега может продолжить с места остановки и не потерять эстафетную палочку. А главное, инженерный состав очень позитивно оценил введение визуально-карточной системы задач, т.к. всё как на ладони, не имеет нагромождений и удобно при повседневной работе. Карточки с задачами создаются мгновенно, не требуя много рабочего времени. 

Работу с доской и делегироваинем задач ещё предстоит наладить, как и до конца вникнуть в её юзабилити остальным инженерам.

Это что? Agile?

convert colors to midi note for midi controllers

I recently (2 years ago) designed and built a simple MIDI controller for my intercom system using an Arduino Leonardo, USB hub, sound card, ...